Acrel-2000系列监控系统在亚运手球比赛馆建设10kV供配电工程中的应用

2023.05.23

详细内容

摘要:智能化配电监控系统是数字化和信息化时代应运而生的产物,已经被广泛应用于电网用户侧楼宇、体育场馆、科研设施、机场、交通、医院、电力和石化行业等诸多领域的高/低压变配电系统中。安科瑞自研的Acrel-2000系列监控系统可监控高压开关柜、低压开关柜、应急发电机组等的工作状态,记录监测电参量和开关状态等各项参数,当参数值超出允许的范围时便产生预警、报警,并对相关设备进行控制;也可通过采集配电室的温湿度、水浸、烟感、门禁和视频等数据,实现环境监测、安防监控等功能。本文介绍了Acrel-2000系列监控系统在亚运手球比赛馆建设10kV供配电工程中的应用,实现了分布式采集和集中控制的智能化管理,通过多套系统为现场设备安全、可靠的运行提供了坚实的技术保障。

关键词:智能化配电监控系统、监测控制、环境监控。


项目概述及需求

本工程为增容项目,采用10KV双路供电,10KV进线电源一引自110KV传化变10KV旅校A634线新设亚浙开G12间隔,10kV进线电源二引自110kV顺坝变10KV顺宁A394线顺九开G12间隔。本期新上1座变电所( 手球馆变电所) 其内新上2台1600KVA专用变及配套高低压开关柜,负责手球馆供电。

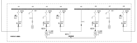
图片

图一、新建所一次系统图

图片

图二、手球馆变电所平面布置图

该项目需提供变电站电力监控系统和辅助监控系统,具体需求为:

1. 具有实时数据采集、一次接线图显示与操作、事件报警、曲线及电能分类管理。

2. 实时显示配电室内的用电状态等信息。

3. 故障智能分析、负荷分析、设备档案和电量统计信息上传等功能。

4. 提供低压一次系统图界面,便于系统维护通讯状态监视。

5. 报表查询及打印,用户权限管理等。

6. 对配电室的温湿度变化情况、通风情况、室内积水情况进行实时的监测和分析。

7. 可控制除湿机、水泵、门禁。

8. 系统具有实用性、安全性、实时性、稳定性、易维护性等特点。 



设计标准和依据

监控系统是由各类二次设备、传感器、网络设备及计算机设备等互联布局而成。系统因项目规模不同、功能性能不同、重要程度不同、用户投资水平不同,可采取不同的拓扑结构,但是无论采取何种拓扑结构都是采用了“站控管理层——网络通讯层——现场设备层”的分层分布式设计思想,这种分层设计,符合当前通讯体系设计实现的标准,在每层都能相对地完成监视控制功能,即可以实现远方的监视控制,也能够在上层故障时不影响本层和下一层的功能。

图片

图三、保护配置图

图片

图四、环境监控系统通讯拓扑图

系统设计同时也符合以下标准:

图片





硬件设备选型

根据项目要求和图纸,可配置出项目所用设备:

图片

图片



现场安装

图片

环境监控系统:将温湿度实时数据、水浸状态、烟感状态等数据上传至系统主机,对温湿度和SF6气体数据进行转发,Acrel-2000E/A放在配电室门口供巡检人员进门前查看配电房内环境状态,避免有害气体浓度过高危害巡检人员安全。其中温湿度传感器具有485通信接口,可通过标准ModBus-RTU通信协议通信;水浸传感器监测由于外界环境和各种因素造成的室内外电缆沟积水情况,内部电源、感应线、信号输出三部分完全隔离;摄像机通过网线与本地录像机进行组网,将实时监测视频、事件信息存储于本地硬盘中,通过以太网将视频图像传输到控制主机;红外微波双鉴探测器克服了单一技术探测器的缺陷,当两种探测技术的传感器都探测到人体移动时报警并将报警信息上传给后台系统。







电话:18860990836